Début
Fin
Précédent
Suivant


Les LEDS  blanches : l’avenir de la spéléo ?


5. Ampoule à cinq Leds pour la DUO de Petzl©


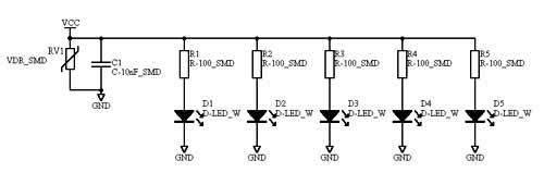
L’idée est de remplacer l’ampoule standard de la DUO de Petzl© par une ampoule à leds. La solution que nous avons retenue consiste à polariser chaque led avec une résistance (voir la Figure 7 ci-dessous).


Figure 7 : Schéma électronique d’une ampoule 6 volts à 5 leds et polarisation par une résistance. Les composants RV1 et C1 ne sont pas nécessaires et servent à protéger les leds de l’électricité statique. Source : DUO LEDLight TechTonique.

En effet, une résistance constitue une mauvaise source de courant. Le point le plus négatif pour notre éclairage est le rendement, mais plutôt que d’avoir un bon rendement de l‘électronique, nous choisissons de meilleures leds !

Une pile n’est pas une source d’énergie parfaite. Avec des piles standards ou alcalines de type LR6 (mignon, AAA), il est inutile de vouloir utiliser plus de 10 leds en même temps. Une consommation trop importante de courant va faire écrouler les performances de la batterie. Pour notre éclairage DUO, nous avons choisi 5 ou 10 leds, ce qui correspond à un bon compromis entre durée d’éclairage et intensité lumineuse. Pour la lampe à leds, la plus polyvalente, les 5 leds sont positionnées dans le même sens sur un pentagone et la partie centrale permet de souder les pins de connexion vers la pile (VCC étant la tension positive et GND la négative).

Il est préférable d’ajouter quelques composants pour protéger les leds, car elles sont légèrement sensibles à l’électricité statique (par exemple les étincelles que produisent les pulls en laine), mais ce n’est pas obligatoire.

Pour la réalisation, nous avons utilisé un circuit imprimé simple face de 500 µm d’épaisseur et 70 µm de cuivre. Il a été possible de placer les composants sur un PCB carré de 17 mm, de côté (Figure 8). Pour cela, nous avons utilisé des composants SMD de taille 1206.


Figure 8 : Layout d’une lampe à leds pour la DUO de Petzl. Les cinq leds sont sur un pentagone et au centre se trouve les pastilles pour le bipin. Afin de l’installer dans la DUO, il faut modifier le réflecteur pour augmenter le diamètre du trou de passage de l’ampoule. Source : DUO LEDLight TechTonique.

Pour des tensions d’alimentation plus élevées, il est possible de monter des leds en série. Par exemple pour 12 Volts : 3 leds en série et une Résistance de 56 Ohms.



Toutes les photos et illustrations ©GSL et leur(s) auteur(s) respectif(s)